TA15 是一種近α 型鈦合金,具有中等強度、良好的熱穩定性和焊接性能,廣泛應用于航空航天工業。我公司生產的TA15 厚截面鍛件,多品種多批次存在室溫強度富裕量不足甚至不合格問題,不但造成了較嚴重的質量損失,還嚴重影響了交付進度。為解決TA15 鍛件室溫強度偏低問題,本文提出了預備熱處理的方法,并進行了工藝試驗,以指導TA15 鍛件熱加工方案設計。
一、鍛件要求
我公司承制某主機廠的TA15鈦鍛件,其驗收標準為型號專用標準,室溫拉伸和室溫沖擊性能要求見表1。根據標準要求,鍛件的顯微組織應是經α+β 兩相區加工后的均勻組織,并以退火狀態交付,推薦的熱處理制度:750 ~850℃,保溫1 ~4h,空冷。
表1 TA15 鍛件專用標準的室溫力學性能要求

二、TA15 鈦合金強化機制
TA15 鈦合金主要用于飛機大型結構件,名義成分為Ti-6Al-2Zr-1Mo-1V。一般認為,TA15 合金的強化機制主要是Al 及其他元素的固溶強化,不能通過熱處理進行強化。因此TA15 鈦合金在退火狀態使用,此時合金的相組成是以α 相為基體,含有少量的β 相。然而根據國內研究結果,采用適當的鍛造方法或熱處理方法,TA15 鈦合金鍛件強度可以得到一定的提升,舉例如下。
⑴西北有色金屬研究院盧凱凱《強韌化熱處理對TA15 鈦合金組織和性能的影響》中,采用固溶+普通退火的熱處理方式提高了TA15 鍛件的強度,其主要研究成果:固溶階段的近β 相快速水冷保留了組織中的晶體缺陷,這些晶體缺陷處為片狀α 相形核提供了大量的形核中心。在第二道退火過程中,片狀α 相形核并長大,最終形成由約20%的初生等軸α相和編織交錯的片狀α 相,以及β 相轉變基體組成的三態組織。三態組織在具有較高的塑性的條件下,同時可以保持足夠的強度。
⑵寶鈦集團郭志軍《變形參數對TA15 合金厚板顯微組織及力學性能的影響》中,采用β 開坯+(α+β)大變形鍛造的方式提高了TA15 板材的強度,其主要研究結果:對于TA15 鈦合金,經過β區變形可獲得魏氏組織或網籃狀加工組織,具有較高的斷裂韌性,但塑性較差;此類組織再經過較大的a+β 相區變形,可獲得細小等軸的a+β 加工組織,對應優良的綜合性能。
三、優化思路
綜上研究結果來看,顯微組織中較多的片狀α且破碎程度較高時,鈦鍛件將獲得較高的強度。然而,根據生產經驗,若采用固溶+時效熱處理,復雜長軸類鍛件極易變形導致報廢;若采用β 開坯+(α+β)大變形鍛造,鍛件顯微組織中初生α 相含量較少,顯微組織不合格的風險很大。
為了提高強度,國內有廠家采用近等溫鍛造。該工藝的主要實施方法是:在鍛造中前幾火次采用(Tβ-30)~(Tβ-50)℃較低加熱溫度,最后一火次采用(Tβ-10)~(Tβ-30)℃的較高加熱溫度,可將其顯微組織初生α 相含量控制在20%~30%的范圍內,以獲得較高的強度。但近等溫鍛造過程中,鍛造溫度接近相變溫度,鍛造過程中的反熱現象導致TA15 鈦合金鍛件產生過燒風險急劇增加,控制不當便會導致鍛件整批報廢。
為此,公司技術團隊提出一種設想:在鍛造的最終火次前,對坯料進行近β 熱處理,析出更多的片狀α 相;最終火次采用較大變形,增加片狀α 相的破碎程度。該方法主要有如下優點。
最終火次前進行近β 熱處理,加熱溫度選用(Tβ-25)℃,加熱設備選用II 類高溫電爐。近β 加熱過程中,坯料顯微組織中大多初生α 相將轉變為β相。在近β 加熱后的空冷過程中,大多轉變的β 相將重新析出片條狀α 相;在近β 加熱后的水冷過程中,大多轉變的β 相將重新析出針狀α 相。無論片條狀α 相還是針狀α 相,在最終火次的加熱過程中,都會長大,并在變形的過程中被擊碎,進而達到強化作用。該方法鍛造后仍采用普通退火熱處理,相比固溶+時效熱處理,可降低復雜長軸類鍛件的變形程度;該方法鍛件顯微組織中仍會剩余約15%~35%的初生α 相,可滿足標準要求;該方法最終火次的變形溫度仍控制在(Tβ-30)~(Tβ-50)℃,可有效避免鍛造溫升產生的粗晶問題。
四、工藝試驗
1、試驗材料
采用TA15 鈦合金φ100mm 規格圓棒材,測定其相變點溫度為Tβ=(997±3)℃;按標準要求對材料進行復驗,其力學性能指標見表2。
表2 某棒材力學性能入廠實測指標

2、試驗方案
⑴下φ100mm×180mm 規格料3 件,編號試驗件A/B/C。
⑵對試驗件A/B 進行近β 熱處理,熱處理制度如下:①試驗件A:(Tβ-25)℃±5℃,保溫120min,流動清水冷卻;②試驗件B:(Tβ-25)℃±5℃,保溫120min,空冷。
⑶對試驗件A/B/C 進行鐓粗鍛造,要求如下:①加熱溫度:(Tβ-45)℃±10℃,保溫100min;②出爐后采用1000t 快鍛機進行鐓粗,高度180mm 鐓粗至100mm;鐓粗過程一次成形,下壓速度控制50 ~60mm/s。
⑷鍛造結束后,對試驗件A/B/C 進行退火處理。退火制度:840℃保溫3h,空冷。
⑸按試驗專用取樣圖要求檢測縱向室溫拉伸(2根)、縱向室溫沖擊(2根)、橫向室溫拉伸及沖擊(1/2厚度2 根,1/4 厚度2 根),過軸心低倍、心部和表皮高倍。工藝試驗件解剖圖如圖1 所示。

圖1 工藝試驗件解剖圖
3、結果和分析
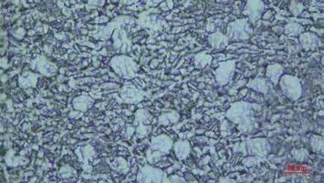
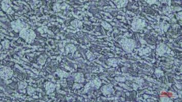
⑴顯微組織對比如圖2、圖3、圖4、圖5、圖6、圖7 所示。

圖2 工藝試驗件A 表層高倍(等軸α 相含量10%~20%)

圖3 工藝試驗件A 心部高倍(等軸α 相含量30%~40%)

圖4 工藝試驗件B 表層高倍(等軸α 相含量15%~25%)

圖5 工藝試驗件B 心部高倍(等軸α 相含量20%~30%)

圖6 工藝試驗件C 表層高倍(等軸α 相含量30%~35%)

圖7 工藝試驗件C 心部高倍(等軸α 相含量50%~60%)
從高倍組織來看,采用近β 加熱+水冷/空冷預備熱處理后,鍛件高倍組織中等軸α 相明顯減少,破碎的片狀α 相明顯增加,同樣大小高倍視場中的總α 晶粒數量明顯增加,達到了設計目的。而常規鍛造后的鍛件,初生α相明顯較多,且條狀α相很少。
⑵低倍組織對比如圖8、圖9、圖10 所示。

圖8 工藝試驗件A 低倍組織

圖9 工藝試驗件B 低倍組織

圖10 工藝試驗件C 低倍組織
從低倍組織來看,采用近β 加熱+水冷/空冷預備熱處理,與常規鍛造方法無明顯差異,未出現粗晶或組織不均勻等低倍問題。
⑶性能對比。
表3 是3 個試驗件相同取樣位置的室溫縱向力學性能對比。從性能結果來看,相比較常規鍛造,鍛前采用近β 加熱+水冷/空冷預備熱處理后,鍛件強度總體高于常規鍛造,強度提高平均約20MPa,塑性略有降低但相對標準要求仍有較大的富裕量,達到了設計目的。
表3 工藝試驗件室溫力學性能結果

五、結論
⑴鍛前增加近β 熱處理,可有效降低鍛件顯微組織中初生α 相含量并提升片狀α 相含量,且片狀α 相破碎程度較高。
⑵鍛前增加近β 熱處理,可提升鍛件的室溫強度,同時對鍛件塑性和韌性的影響不大。
相關鏈接
- 2023-07-09 飛機用TA15鈦合金棒高溫與室溫拉伸性能的研究
- 2023-06-24 熱處理對TA15合金板材組織性能的影響
- 2023-06-24 定制航空石油用TC4鈦板 TA9鈦棒 鈦鍛件 材質保證 庫存充足
- 2023-06-12 固溶時效對TB6鈦合金鍛件組織和性能的影響
- 2023-04-28 TC4/TA15高溫鈦合金的特性及其在航空發動機中的應用
- 2023-04-24 TA15鈦合金棒材常規熱處理與冷卻速率
- 2023-04-15 定制航空船舶制造用鈦合金棒 鈦板 鈦鍛件 材質保證 零切批量
- 2023-04-11 航空用TA15/TC19/TC17鈦合金棒國軍標規范GJB2218A-2008
- 2023-03-20 利泰金屬定制鈦合金棒 TC4鈦鍛件 TA15鈦合金板
- 2023-03-09 航空用TA15鈦合金管的幾種制備工藝及其性能成本差異

